Product Center
SY8701 Sample Application
General Description

SY8701 is a low side Over-Voltage-Protection (OVP) IC which integrates only 13mohm switch NMOS internally. It’s convent to set the protection voltage by the external resistor. The maximum working voltage is up to 20V. 
SY8701 along with small SOT23-6 footprint provides small PCB area application.

Features

Over voltage protection up to 20V

13mohm switch resistance

Protection voltage adjustable

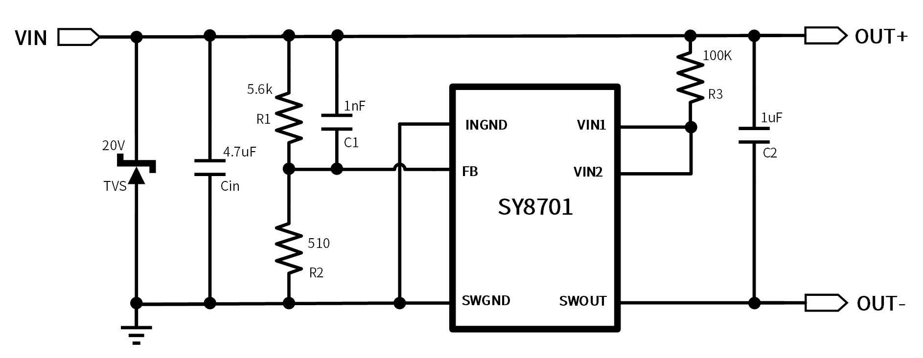
Typical Application Circuit Diagram
Applications

Tablet, MID Applications

Smart phones

Car camera

Power Bank

888腾博会
网站地图